Приветствую.
Собрал расширение 256К по инструкции - http://zx-pk.ru/showthread.php?t=8903&page=6 на сим. Всё вроде работает.
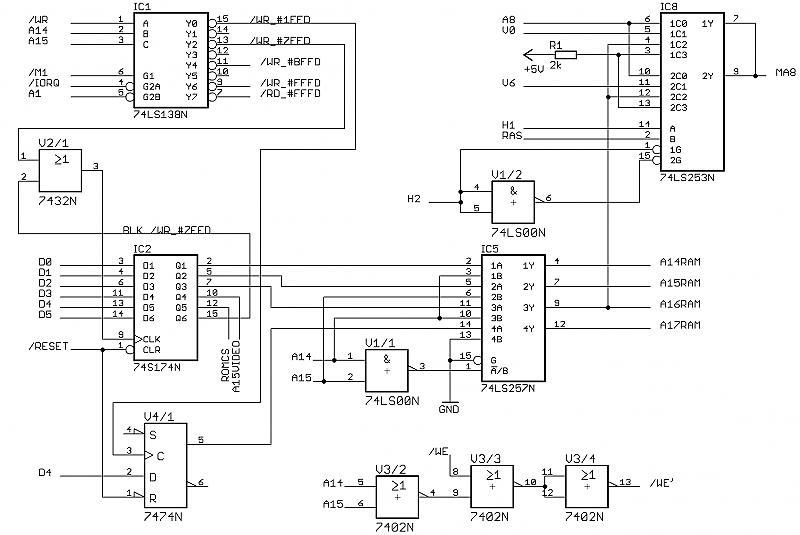
А также поменял пзу на флеш AT29C010A. Вот тут и начались проблемы, просто плохо пока представляю организацию портов/памяти.
Поэтому прошу помощи:
1. Куда у флешки подключить адресные линии A14 и A15, CS, OE чтоб было "правильно"?
2. Какой правильный порядок прошивки?
3. Откуда по этой схеме взялись D6 и D7?
4. И что за сигнал такой ROMCS, куда его?-> A1, A8, A14, A15, D0...D7, /WR, /IORQ, /M1, /RESET берем с соответствующих ног процессора. Если установлен контроллер дисковода, то /IORQ берем оттуда - /IORQOUT (вообщем тот, который блокируется при обращении к портам BDI)
Спасибо.




Ответить с цитированием
Размещение рекламы на форуме способствует его дальнейшему развитию 

Profi must live!