Всем привет!
Наверняка любители слушать музыку с аудио-карт, коих для нашиих клонов ZX Spectrum выпустили уже больше трех моделей (NeoGS, ZXM SoundCard, ZXM Moonsound), сталкивались с проблемой разной громкости на выходах этих карт. Плюс еще часто рядом стоит ПЦ со своим бластером. И на всё это богатство - одни колонки.
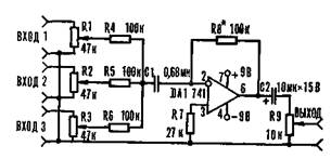
Решение проблемы - использовать стерео микшер, при помощи которого, регулировать уровень громкости каждого из устройств отдельно. В продаже есть решения, но они слишком дороги и громоздки. Да и не спортивно спектрумистам покупать девайс, если можно спаять свой
На просторах инета я нашел подходящую на мой взгляд схему:
http://sombox.com.br/amplificadores/...ra-microfones/
http://soundbass.org.ua/wp-content/u...ixer_shema.jpg
Предлагаю упростить её до 4-х стерео входов и одного стерео выхода. Сделать её максимально компактной.





Ответить с цитированием
Размещение рекламы на форуме способствует его дальнейшему развитию 
