User Tag List

Страница 6 из 34 ПерваяПервая ... 2345678910 ... ПоследняяПоследняя
Показано с 51 по 60 из 332

Тема: Pentagon 128k Classic

  1. #51

    Регистрация
    15.01.2008
    Адрес
    г. Тула
    Сообщений
    195
    Спасибо Благодарностей отдано 
    8
    Спасибо Благодарностей получено 
    1
    Поблагодарили
    1 сообщение
    Mentioned
    0 Post(s)
    Tagged
    0 Thread(s)

    По умолчанию

    Не думаю, не такая большая разница. У тебя кадровая 85 Гц, а должно быть 50. В 1.7 раз больше

    Мое железо

    Profi 3.2[Down]/1Mb SIMM/Цвет в CP/М
    Profi 3.2[Up]/5.25" FDD/3.5" FDD/Turbo VG/...
    Profi 5.04[Up]/1Mb/В процессе восстановления и доведения до ума
    VGA & PAL
    Profi Extender
    [свернуть]

  2. #52

    Регистрация
    02.12.2015
    Адрес
    г. Огре, Латвия
    Сообщений
    236
    Спасибо Благодарностей отдано 
    9
    Спасибо Благодарностей получено 
    2
    Поблагодарили
    1 сообщение
    Mentioned
    0 Post(s)
    Tagged
    0 Thread(s)

    По умолчанию

    Интересно, что должно быть на ногах 9 и 10 у DD7?! Таблицу рабочих частот по ногам/сигналам для спектрума наверное некто неписал, или диаграммы сигналов как для телевизоров...

    Пока что мне кажется что проблема либо в DD7 либо DD3, позже напишу результаты проверки работы DD1-DD12

    - - - Updated - - -

    Сильно в глаза кидается два момента: у DD4 на 11 и 12 ногах стоит +1.6в ; а у DD3 по схемам первая нога должна быть свободной, а она подключена к +5в..... (Отрезал 1ю ногу от плюса, деление частот не поменялось)

    - - - Updated - - -

    P.S. По завершению работы надо будет написать программку где по ногам можно будет видеть частоту и диаграмму сигналов, чтоб другим легче налаживать...
    Последний раз редактировалось Latish; 12.12.2015 в 14:54.

  3. #53

    Регистрация
    27.02.2005
    Адрес
    москва
    Сообщений
    14,318
    Записей в дневнике
    1
    Спасибо Благодарностей отдано 
    203
    Спасибо Благодарностей получено 
    1,482
    Поблагодарили
    967 сообщений
    Mentioned
    18 Post(s)
    Tagged
    0 Thread(s)

    По умолчанию

    Цитата Сообщение от Latish Посмотреть сообщение
    По завершению работы надо будет написать программку где по ногам можно будет видеть частоту и диаграмму сигналов, чтоб другим легче налаживать...

  4. #54

    Регистрация
    02.12.2015
    Адрес
    г. Огре, Латвия
    Сообщений
    236
    Спасибо Благодарностей отдано 
    9
    Спасибо Благодарностей получено 
    2
    Поблагодарили
    1 сообщение
    Mentioned
    0 Post(s)
    Tagged
    0 Thread(s)

    По умолчанию

    Спасибо, как то видел эту картину но не обратил внимание...

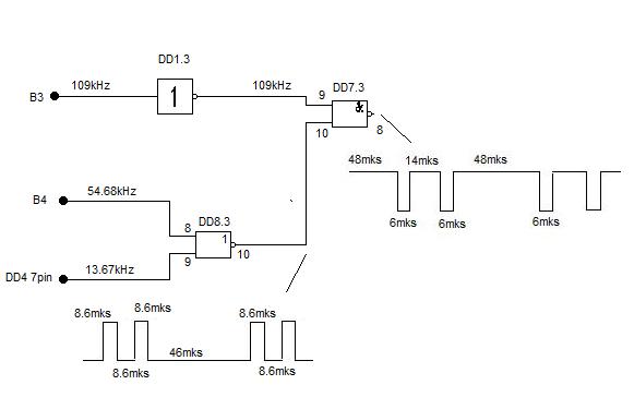
    Проверил, что как работает, делители DD3 и DD4 работают исправно. Получается такая картина: DD7.3 похоже что работает правильно. На 9й ноге 109кГц(32я часть от 3.5Мгц) через DD1.3 от B3(3н DD4), а на 8й ноге помоему какойто неправильно сформированный сигнал DD8.3, который получает 54.68кГц(64я часть от 3.5Мгц) от B4(2н DD4) на 8й ноге и 13.67кГц(256я часть от3.5Мгц) на 9й ноге от DD4(7н).

    Нажмите на изображение для увеличения. 

Название:	osc2.jpg 
Просмотров:	297 
Размер:	16.8 Кб 
ID:	55185

    Я не силён в логике, но кажется что DD7.3 работает правильно, но DD8.3 портит всю картину, неправильно складывая оба сигнала, а может правильно - сам уже не понимаю... Пауза между импульсами длинная - нелогично.

    - - - Updated - - -

    ВСЁ тупик! Нашёл дома HC02 и HC00, по очереди посадил поверху DD7 и DD8 с приподнятами выходами, сравнил как складывает сигналы, всё совпадает!...

    Сигнал развёртки 15.625кГц должен получатся с сигналов делителей В3 109кГц, В4 54.68кГц и DD7(7н) 13.67кГц, через логику DD1.3, DD8.3 и DD7.3, каким образом??! Где собака зарыта?!

    То что кадровый сигнал мне неправильный, это логично т.к. DD2, на 14ю ногу получая неправильный сигнал развёртки неправильно делит входные 14МГц, выдавая 6.8Мгц на 12й ноге, от чего и дальше работают DD11 и DD12... Но разверточный из за чего неправильный?!

  5. #55

    Регистрация
    16.12.2009
    Адрес
    Харьков
    Сообщений
    4,735
    Спасибо Благодарностей отдано 
    365
    Спасибо Благодарностей получено 
    378
    Поблагодарили
    241 сообщений
    Mentioned
    11 Post(s)
    Tagged
    1 Thread(s)

    По умолчанию

    Latish, а сейчас сколько строчная развертка по частоте?

    - - - Добавлено - - -

    Цитата Сообщение от Latish Посмотреть сообщение
    выдавая 6.8Мгц на 12й ноге,
    сколько??? там не должно быть 6,8мгц, там должна быть строчная пополам. в ие5 два независимых делителя.
    Profi must live!

    Моё железо...

    1. Profi 5.06/1Mb(DRAM)+Profi5.06(UP)/HDD/3`5FDD/CF512Mb/SD-CARD
    3. Profi 6.2 Rev. B/1Mb/3`5FDD/HDD3.2Gb
    4. Profi 5.05(down)/1Mb+Profi 5.03(UP)/Pentagon_Fix
    Все укомплектованы:
    Profi_ZX-BUS/ZXMC2/NemoIDE/SounDrive
    [свернуть]

    Ссылка на Telegram-канал поддержки пользователей Profi.

  6. #56

    Регистрация
    15.01.2008
    Адрес
    г. Тула
    Сообщений
    195
    Спасибо Благодарностей отдано 
    8
    Спасибо Благодарностей получено 
    1
    Поблагодарили
    1 сообщение
    Mentioned
    0 Post(s)
    Tagged
    0 Thread(s)

    По умолчанию

    Вот сейчас наверное глупый вопрос задам, А кварц точно должен быть 14 MHz?

    Мое железо

    Profi 3.2[Down]/1Mb SIMM/Цвет в CP/М
    Profi 3.2[Up]/5.25" FDD/3.5" FDD/Turbo VG/...
    Profi 5.04[Up]/1Mb/В процессе восстановления и доведения до ума
    VGA & PAL
    Profi Extender
    [свернуть]

  7. #57

    Регистрация
    16.12.2009
    Адрес
    Харьков
    Сообщений
    4,735
    Спасибо Благодарностей отдано 
    365
    Спасибо Благодарностей получено 
    378
    Поблагодарили
    241 сообщений
    Mentioned
    11 Post(s)
    Tagged
    1 Thread(s)

    По умолчанию

    Цитата Сообщение от Lexx! Посмотреть сообщение
    Вот сейчас наверное глупый вопрос задам, А кварц точно должен быть 14 MHz?
    да, 14мгц. 14.3мгц ставили для того, чтобы подтянуть кадровую к 50гц (вместо 48гц на 14мгц).
    Profi must live!

    Моё железо...

    1. Profi 5.06/1Mb(DRAM)+Profi5.06(UP)/HDD/3`5FDD/CF512Mb/SD-CARD
    3. Profi 6.2 Rev. B/1Mb/3`5FDD/HDD3.2Gb
    4. Profi 5.05(down)/1Mb+Profi 5.03(UP)/Pentagon_Fix
    Все укомплектованы:
    Profi_ZX-BUS/ZXMC2/NemoIDE/SounDrive
    [свернуть]

    Ссылка на Telegram-канал поддержки пользователей Profi.

  8. #58

    Регистрация
    02.12.2015
    Адрес
    г. Огре, Латвия
    Сообщений
    236
    Спасибо Благодарностей отдано 
    9
    Спасибо Благодарностей получено 
    2
    Поблагодарили
    1 сообщение
    Mentioned
    0 Post(s)
    Tagged
    0 Thread(s)

    По умолчанию

    Пардон. Незнаю от куда вырвал эти 6.8Мгц.... Тем не менее, - строчная по частотметру 27.3кГц. После делителя на DD2, 13.65кГц...

    P.S.Кварц 14Мгц, DD1 вырабатывает 13.995Мгц

  9. #59

    Регистрация
    15.01.2008
    Адрес
    г. Тула
    Сообщений
    195
    Спасибо Благодарностей отдано 
    8
    Спасибо Благодарностей получено 
    1
    Поблагодарили
    1 сообщение
    Mentioned
    0 Post(s)
    Tagged
    0 Thread(s)

    По умолчанию

    У него все частоты завышены в 1.75 раза. Получается если вместо 14 поставить 8 MHz то будут правильные частоты. Это не призыв к действию, это надо найти почему недоделено

    Мое железо

    Profi 3.2[Down]/1Mb SIMM/Цвет в CP/М
    Profi 3.2[Up]/5.25" FDD/3.5" FDD/Turbo VG/...
    Profi 5.04[Up]/1Mb/В процессе восстановления и доведения до ума
    VGA & PAL
    Profi Extender
    [свернуть]

  10. #60

    Регистрация
    02.12.2015
    Адрес
    г. Огре, Латвия
    Сообщений
    236
    Спасибо Благодарностей отдано 
    9
    Спасибо Благодарностей получено 
    2
    Поблагодарили
    1 сообщение
    Mentioned
    0 Post(s)
    Tagged
    0 Thread(s)

    По умолчанию

    Вот такая интересная ситуация получалась, когда экспериментировал с кварцами и место 14Мгц запаял 8Мгц от ВГ, то хоть и неправильно расположенная, но картина была видна - белый квадрат в черной рамке...

    P.S. В смысле {У него все частоты завышены в 1.75 раза.} - Это вы про кадровую и строчную или про все?? - Т.к. я выходы на делителях В1-В5 проверил, вроде всё везде делится на два...

Страница 6 из 34 ПерваяПервая ... 2345678910 ... ПоследняяПоследняя

Информация о теме

Пользователи, просматривающие эту тему

Эту тему просматривают: 1 (пользователей: 0 , гостей: 1)

Похожие темы

  1. Pentagon 128k debugging
    от Shockwav3 в разделе RST#38
    Ответов: 18
    Последнее: 11.03.2014, 14:49
  2. куплю pentagon 128k
    от ZX1997 в разделе Барахолка (архив)
    Ответов: 6
    Последнее: 12.01.2012, 14:41
  3. Помогите с Pentagon-128k !
    от r0m в разделе Pentagon
    Ответов: 383
    Последнее: 15.05.2010, 02:51
  4. Ответов: 57
    Последнее: 03.04.2010, 07:42
  5. Ответов: 0
    Последнее: 24.01.2010, 21:46

Ваши права

  • Вы не можете создавать новые темы
  • Вы не можете отвечать в темах
  • Вы не можете прикреплять вложения
  • Вы не можете редактировать свои сообщения
  •