1. проверить, куда подключены 14-17 выводы видеопроца. если куда-то подключены (на землю через конденсаторы), то отключить всё от этих выводов.
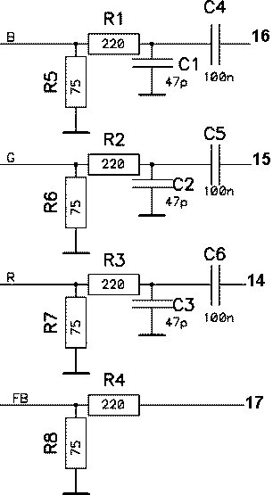
2. собрать схему из вложения и подключить к соответствующим выводам видеопроца. небольшое уточнение по сигналу FB схемы - подключи +5В через резистор от 150 до 180 Ом к сигналу FB схемы. удобно +5В брать с самого спека. при включении компьютера, видеопроц автоматически переключит входы RGB на спектрум.
3. sync/video со спектрума подать на канал B VIDEO (разъем IN, центральный контакт - сигнал, внешнее кольцо разъема - земля/общий/GND).



Profi must live!
1.
Ответить с цитированием




