User Tag List

Страница 4 из 11 ПерваяПервая 12345678 ... ПоследняяПоследняя
Показано с 31 по 40 из 105

Тема: Pentagon 48 или GRM1 начало INTа

  1. #31

    Регистрация
    16.12.2009
    Адрес
    Харьков
    Сообщений
    4,735
    Спасибо Благодарностей отдано 
    365
    Спасибо Благодарностей получено 
    378
    Поблагодарили
    241 сообщений
    Mentioned
    11 Post(s)
    Tagged
    1 Thread(s)

    По умолчанию

    Цитата Сообщение от Shockwav3 Посмотреть сообщение
    This is how I modified the board:
    after these changes, did the synchronization return to normal?
    Profi must live!

    Моё железо...

    1. Profi 5.06/1Mb(DRAM)+Profi5.06(UP)/HDD/3`5FDD/CF512Mb/SD-CARD
    3. Profi 6.2 Rev. B/1Mb/3`5FDD/HDD3.2Gb
    4. Profi 5.05(down)/1Mb+Profi 5.03(UP)/Pentagon_Fix
    Все укомплектованы:
    Profi_ZX-BUS/ZXMC2/NemoIDE/SounDrive
    [свернуть]

    Ссылка на Telegram-канал поддержки пользователей Profi.

  2. #31
    С любовью к вам, Yandex.Direct
    Размещение рекламы на форуме способствует его дальнейшему развитию

  3. #32

    Регистрация
    09.09.2008
    Адрес
    Berlin, Germany
    Сообщений
    252
    Спасибо Благодарностей отдано 
    43
    Спасибо Благодарностей получено 
    46
    Поблагодарили
    31 сообщений
    Mentioned
    0 Post(s)
    Tagged
    0 Thread(s)

    По умолчанию

    Yes, everything back to normal after I removed the additional AND-Gates and put everything back into place.

    Нажмите на изображение для увеличения. 

Название:	p128_translate.jpg 
Просмотров:	167 
Размер:	66.5 Кб 
ID:	67710Нажмите на изображение для увеличения. 

Название:	p48_translate_2.jpg 
Просмотров:	197 
Размер:	55.8 Кб 
ID:	67711
    Just for the sake of it, these are my attempts to "translate" the P128 schematics to P48 to make things a bit easier to compare.
    So far I've found nothing overly different
    Последний раз редактировалось Shockwav3; 17.01.2019 в 21:58.

    Pentagon 48 + MIKAY128 + VG93 Turbo + Stereo Covox + KJoy
    Москва 128 + AY
    Pentagon 1024SL 2.2 + ZXM-GS + Z-Controller + TSFM + Tape-In
    ZX Evolution Rev. C + ZX-MultiSound
    Compact 256 Turbo 1.1 (ZS Scorpion 256 INT, Port #FF, Port #FB) + Covox + ProfROM + NemoBus + NemoIDE + ZXM-GS
    ZS Scorpion 256 Turbo+ + GMX + SMUC + GS Classic 2MB
    Sprinter 2016S

    К сожалению, я не говорю по-русски / Sorry, I don't speak Russian
    https://github.com/zxshock

  4. #33

    Регистрация
    16.12.2009
    Адрес
    Харьков
    Сообщений
    4,735
    Спасибо Благодарностей отдано 
    365
    Спасибо Благодарностей получено 
    378
    Поблагодарили
    241 сообщений
    Mentioned
    11 Post(s)
    Tagged
    1 Thread(s)

    По умолчанию

    Цитата Сообщение от Shockwav3 Посмотреть сообщение
    additional AND-Gates
    Did you mean an additional 74ls32 (OR-Gates), or did you have something else additionally installed?
    Profi must live!

    Моё железо...

    1. Profi 5.06/1Mb(DRAM)+Profi5.06(UP)/HDD/3`5FDD/CF512Mb/SD-CARD
    3. Profi 6.2 Rev. B/1Mb/3`5FDD/HDD3.2Gb
    4. Profi 5.05(down)/1Mb+Profi 5.03(UP)/Pentagon_Fix
    Все укомплектованы:
    Profi_ZX-BUS/ZXMC2/NemoIDE/SounDrive
    [свернуть]

    Ссылка на Telegram-канал поддержки пользователей Profi.

  5. #34

    Регистрация
    09.09.2008
    Адрес
    Berlin, Germany
    Сообщений
    252
    Спасибо Благодарностей отдано 
    43
    Спасибо Благодарностей получено 
    46
    Поблагодарили
    31 сообщений
    Mentioned
    0 Post(s)
    Tagged
    0 Thread(s)

    По умолчанию

    Sorry, I meant OR-Gates of course.

    Pentagon 48 + MIKAY128 + VG93 Turbo + Stereo Covox + KJoy
    Москва 128 + AY
    Pentagon 1024SL 2.2 + ZXM-GS + Z-Controller + TSFM + Tape-In
    ZX Evolution Rev. C + ZX-MultiSound
    Compact 256 Turbo 1.1 (ZS Scorpion 256 INT, Port #FF, Port #FB) + Covox + ProfROM + NemoBus + NemoIDE + ZXM-GS
    ZS Scorpion 256 Turbo+ + GMX + SMUC + GS Classic 2MB
    Sprinter 2016S

    К сожалению, я не говорю по-русски / Sorry, I don't speak Russian
    https://github.com/zxshock

  6. #35

    Регистрация
    09.09.2008
    Адрес
    Berlin, Germany
    Сообщений
    252
    Спасибо Благодарностей отдано 
    43
    Спасибо Благодарностей получено 
    46
    Поблагодарили
    31 сообщений
    Mentioned
    0 Post(s)
    Tagged
    0 Thread(s)

    По умолчанию

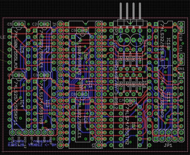
    Currently experimenting with the circuit proposed by LEN2PEN2.TXT (Output of DD6.3 [Pin8] through 1.2K resistor -> 6.8n capacitor tied to ground + inverter -> !INT on Z80) I'm getting something extremely close to a correct timing for the Rage endpart (can't see any offset while it's moving and the "paper wobble" at the beginning actually looked correct, with the screen standing it's 1px) - only problem, this only happens on every second or third reset.
    I also did replace D40 with a 74ALS174 (because I managed to break off a pin off my 74LS174).
    Нажмите на изображение для увеличения. 

Название:	rage.jpg 
Просмотров:	212 
Размер:	52.3 Кб 
ID:	67731

    This is how the circuit is currently modified:
    Нажмите на изображение для увеличения. 

Название:	fix.jpg 
Просмотров:	226 
Размер:	51.6 Кб 
ID:	67732

    EDIT: Looks like I'm not quite done yet ... on a second testrun the border was 1 pixel late (instead of early), TestINT no longer reports a value and BorderCreate simply crashes.
    Последний раз редактировалось Shockwav3; 19.01.2019 в 14:24.

    Pentagon 48 + MIKAY128 + VG93 Turbo + Stereo Covox + KJoy
    Москва 128 + AY
    Pentagon 1024SL 2.2 + ZXM-GS + Z-Controller + TSFM + Tape-In
    ZX Evolution Rev. C + ZX-MultiSound
    Compact 256 Turbo 1.1 (ZS Scorpion 256 INT, Port #FF, Port #FB) + Covox + ProfROM + NemoBus + NemoIDE + ZXM-GS
    ZS Scorpion 256 Turbo+ + GMX + SMUC + GS Classic 2MB
    Sprinter 2016S

    К сожалению, я не говорю по-русски / Sorry, I don't speak Russian
    https://github.com/zxshock

  7. #36

    Регистрация
    09.09.2008
    Адрес
    Berlin, Germany
    Сообщений
    252
    Спасибо Благодарностей отдано 
    43
    Спасибо Благодарностей получено 
    46
    Поблагодарили
    31 сообщений
    Mentioned
    0 Post(s)
    Tagged
    0 Thread(s)

    По умолчанию

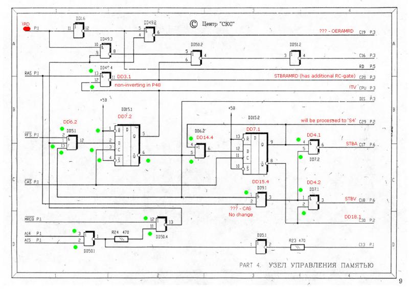
    Looks like I finally got it right!
    I've now managed to move the paper a bit to the right and it lines up except for 1 pixel. This was done by recreating the clock0 for DD9 as done in the P128 (your approach in post #29 was almost right solegstar).
    BorderCreate, Rage Endpart, TestINT, Eyeache/Alienate are all working fine

    In case anyone wants to fix their Pentagon48 for 128 timing, here are the modifications I did:
    vertical adjustment of INT:
    Нажмите на изображение для увеличения. 

Название:	P48_128_01_Int_vert.jpg 
Просмотров:	218 
Размер:	29.7 Кб 
ID:	67748

    horizontal adjustment of INT:
    Нажмите на изображение для увеличения. 

Название:	P48_128_02_Int_hor.jpg 
Просмотров:	227 
Размер:	44.9 Кб 
ID:	67769

    !WRFE
    Нажмите на изображение для увеличения. 

Название:	P48_128_03_wrfe.jpg 
Просмотров:	211 
Размер:	32.7 Кб 
ID:	67770
    EDIT: 4.7nF for 74LS/555 series
    Последний раз редактировалось Shockwav3; 25.01.2019 в 14:58. Причина: Schematics fixed

    Pentagon 48 + MIKAY128 + VG93 Turbo + Stereo Covox + KJoy
    Москва 128 + AY
    Pentagon 1024SL 2.2 + ZXM-GS + Z-Controller + TSFM + Tape-In
    ZX Evolution Rev. C + ZX-MultiSound
    Compact 256 Turbo 1.1 (ZS Scorpion 256 INT, Port #FF, Port #FB) + Covox + ProfROM + NemoBus + NemoIDE + ZXM-GS
    ZS Scorpion 256 Turbo+ + GMX + SMUC + GS Classic 2MB
    Sprinter 2016S

    К сожалению, я не говорю по-русски / Sorry, I don't speak Russian
    https://github.com/zxshock

  8. #37

    Регистрация
    16.12.2009
    Адрес
    Харьков
    Сообщений
    4,735
    Спасибо Благодарностей отдано 
    365
    Спасибо Благодарностей получено 
    378
    Поблагодарили
    241 сообщений
    Mentioned
    11 Post(s)
    Tagged
    1 Thread(s)

    По умолчанию

    Цитата Сообщение от Shockwav3 Посмотреть сообщение
    I've now managed to move the paper a bit to the right and it lines up except for 1 pixel. This was done by recreating the clock0 for DD9 as done in the P128 (your approach in post #29 was almost right solegstar)
    my congratulations!!! and it is strange that my circuit does not work. The logic of both schemes is the same. a logical zero will appear at the output only when all three inputs are zero. logical operation OR 74als32 fits perfectly on a single chip, instead of two NOR and NAND.
    Profi must live!

    Моё железо...

    1. Profi 5.06/1Mb(DRAM)+Profi5.06(UP)/HDD/3`5FDD/CF512Mb/SD-CARD
    3. Profi 6.2 Rev. B/1Mb/3`5FDD/HDD3.2Gb
    4. Profi 5.05(down)/1Mb+Profi 5.03(UP)/Pentagon_Fix
    Все укомплектованы:
    Profi_ZX-BUS/ZXMC2/NemoIDE/SounDrive
    [свернуть]

    Ссылка на Telegram-канал поддержки пользователей Profi.

  9. #38

    Регистрация
    11.01.2008
    Адрес
    Ладошкино
    Сообщений
    1,811
    Записей в дневнике
    4
    Спасибо Благодарностей отдано 
    386
    Спасибо Благодарностей получено 
    339
    Поблагодарили
    244 сообщений
    Mentioned
    14 Post(s)
    Tagged
    0 Thread(s)

    По умолчанию

    Цитата Сообщение от Shockwav3 Посмотреть сообщение
    I've now managed to move the paper a bit to the right and it lines up except for 1 pixel.
    Fine!
    на один пиксель сложно подвинуть)
    Не знаю как на реальном железе, но в FPGA я подвинул на 1 pixel инвертированием тактового сигнала для этого узла)) Ну как бы на пол-такта получилась задержка. В плис такой фокус сработал, в Speccy2010 картинка на бордюре идеальная. Была(. Ну это так, для перфекционистов.
    Profi v3.2 -=- Speccy2010,r2

  10. #39

    Регистрация
    09.09.2008
    Адрес
    Berlin, Germany
    Сообщений
    252
    Спасибо Благодарностей отдано 
    43
    Спасибо Благодарностей получено 
    46
    Поблагодарили
    31 сообщений
    Mentioned
    0 Post(s)
    Tagged
    0 Thread(s)

    По умолчанию

    Yeah, one pixel is fine for me for the moment I think inverting (part of) a signal or adding a delay/pullup/pulldown might fix it, but for the moment I'm done experimenting ... I'll get back to it in a few days once I finalize my INT + Mem + AY (+ Covox? [+ Kempston?]) interface.

    @solegstar: I'll get back to that as it's currently just a prototyping circuit. On my intended addon card (currently it's a bunch of loose wires and breadboard) I still have a few gates for spare (1x LS02, 2x LS32, 1x Flip-Flop from LS74)
    Нажмите на изображение для увеличения. 

Название:	mika.jpg 
Просмотров:	195 
Размер:	103.7 Кб 
ID:	67755

    EDIT: Adding 2.2nF against ground on the output of the inverter for !WRFE fixed things ... seems kinda finicky (changing between 74/74LS/74ALS [155/555/1533] chip families still breaks things - currently I'm going with a 155LA3) but works well enough for me.
    Нажмите на изображение для увеличения. 

Название:	p48_corrected.jpg 
Просмотров:	197 
Размер:	46.4 Кб 
ID:	67766
    Последний раз редактировалось Shockwav3; 21.01.2019 в 17:02.

    Pentagon 48 + MIKAY128 + VG93 Turbo + Stereo Covox + KJoy
    Москва 128 + AY
    Pentagon 1024SL 2.2 + ZXM-GS + Z-Controller + TSFM + Tape-In
    ZX Evolution Rev. C + ZX-MultiSound
    Compact 256 Turbo 1.1 (ZS Scorpion 256 INT, Port #FF, Port #FB) + Covox + ProfROM + NemoBus + NemoIDE + ZXM-GS
    ZS Scorpion 256 Turbo+ + GMX + SMUC + GS Classic 2MB
    Sprinter 2016S

    К сожалению, я не говорю по-русски / Sorry, I don't speak Russian
    https://github.com/zxshock

  11. #40

    Регистрация
    13.04.2018
    Адрес
    г. Котовск, Тамбовская обл.
    Сообщений
    30
    Спасибо Благодарностей отдано 
    2
    Спасибо Благодарностей получено 
    3
    Поблагодарили
    3 сообщений
    Mentioned
    0 Post(s)
    Tagged
    0 Thread(s)

    По умолчанию

    Shockwav3, спасибо за схемы!

    HINT себе сделал вот так:
    Нажмите на изображение для увеличения. 

Название:	hor_int.jpg 
Просмотров:	209 
Размер:	19.7 Кб 
ID:	67836

    WRFE пока не дорабатывал. К сожалению половина кнопок не работает на клавиатуре, немогу проверить на тестах((.

Страница 4 из 11 ПерваяПервая 12345678 ... ПоследняяПоследняя

Информация о теме

Пользователи, просматривающие эту тему

Эту тему просматривают: 1 (пользователей: 0 , гостей: 1)

Похожие темы

  1. GRM1 не дружит с 1818ВГ93
    от blackinwoman в разделе Pentagon
    Ответов: 4
    Последнее: 21.01.2018, 01:20
  2. Куплю Pentagon 128 в Харькове или в Донецке
    от l0nger в разделе Барахолка (архив)
    Ответов: 5
    Последнее: 24.03.2009, 16:16
  3. Ищу АТМ Турбо, ZS Scorpion или Pentagon....
    от booblegum в разделе Барахолка (архив)
    Ответов: 5
    Последнее: 23.09.2008, 09:30
  4. Графика. Начало.
    от GNTB в разделе Для начинающих
    Ответов: 38
    Последнее: 14.08.2007, 23:50

Ваши права

  • Вы не можете создавать новые темы
  • Вы не можете отвечать в темах
  • Вы не можете прикреплять вложения
  • Вы не можете редактировать свои сообщения
  •