User Tag List

Страница 2 из 3 ПерваяПервая 123 ПоследняяПоследняя
Показано с 11 по 20 из 29

Тема: Pentagon 128 - ZX-BUS или как прикрутить например Z-Controller

  1. #11

    Регистрация
    16.12.2009
    Адрес
    Харьков
    Сообщений
    4,735
    Спасибо Благодарностей отдано 
    365
    Спасибо Благодарностей получено 
    379
    Поблагодарили
    242 сообщений
    Mentioned
    11 Post(s)
    Tagged
    1 Thread(s)

    По умолчанию

    Цитата Сообщение от djspawn Посмотреть сообщение
    И еще не могу найти откуда в Пентагоне брать сигнал /DOS?
    c 1 вывода ПЗУ.
    Profi must live!

    Моё железо...

    1. Profi 5.06/1Mb(DRAM)+Profi5.06(UP)/HDD/3`5FDD/CF512Mb/SD-CARD
    3. Profi 6.2 Rev. B/1Mb/3`5FDD/HDD3.2Gb
    4. Profi 5.05(down)/1Mb+Profi 5.03(UP)/Pentagon_Fix
    Все укомплектованы:
    Profi_ZX-BUS/ZXMC2/NemoIDE/SounDrive
    [свернуть]

    Ссылка на Telegram-канал поддержки пользователей Profi.

  2. #12

    Регистрация
    05.10.2008
    Адрес
    Брест, Беларусь
    Сообщений
    130
    Спасибо Благодарностей отдано 
    26
    Спасибо Благодарностей получено 
    34
    Поблагодарили
    9 сообщений
    Mentioned
    0 Post(s)
    Tagged
    0 Thread(s)

    По умолчанию

    Цитата Сообщение от solegstar Посмотреть сообщение
    c 1 вывода ПЗУ.
    Спасибо огромное, я конечно подозревал что это он, но все же в пентагоне много сигналов типа "С №", думал мало ли)
    Pentagon 128 mod.2014 (upgraded to 1024K)+TURBO+FDD3.5+MultiROM+TurboSound+StereoCovo x+NemoIDE
    ZX-Evolution rev.C White+NeoGS+AYX-32+HDD+2xFDD3.5+FDD5.25+ZiFi
    Байт 128К+TR-DOS+YM+TURBO+FDD5.25
    ReVerSE-U16 Rev.C
    Scorpion ZS-256
    STM32 AY Player
    AY AVR Player

  3. #13

    Регистрация
    14.05.2015
    Адрес
    г. Харьков, Украина
    Сообщений
    2,940
    Спасибо Благодарностей отдано 
    150
    Спасибо Благодарностей получено 
    302
    Поблагодарили
    171 сообщений
    Mentioned
    4 Post(s)
    Tagged
    1 Thread(s)

    По умолчанию

    djspawn, для некоторых доработок используют /DOS c 9 вывода D76
    Увы общий формат форума вышел из рамок моего любимого места , более тут не бываю.

  4. #14

    Регистрация
    05.10.2008
    Адрес
    Брест, Беларусь
    Сообщений
    130
    Спасибо Благодарностей отдано 
    26
    Спасибо Благодарностей получено 
    34
    Поблагодарили
    9 сообщений
    Mentioned
    0 Post(s)
    Tagged
    0 Thread(s)

    По умолчанию

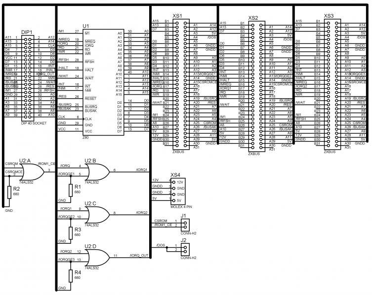
    Хочу сделать что-то в виде райзера с разьемами ZX-BUS для Pentagon, может кто проверить схему на предмет работоспособности\ошибок? Будет ли это все дело работать по этой схеме?)

    Схема в высоком разрешении

    [свернуть]
    Миниатюры Миниатюры Нажмите на изображение для увеличения. 

Название:	ZXBUS_rizer.jpg 
Просмотров:	361 
Размер:	97.8 Кб 
ID:	63845   Нажмите на изображение для увеличения. 

Название:	2018-01-26_16-12-32.jpg 
Просмотров:	284 
Размер:	23.2 Кб 
ID:	63846  
    Последний раз редактировалось djspawn; 26.01.2018 в 16:20.
    Pentagon 128 mod.2014 (upgraded to 1024K)+TURBO+FDD3.5+MultiROM+TurboSound+StereoCovo x+NemoIDE
    ZX-Evolution rev.C White+NeoGS+AYX-32+HDD+2xFDD3.5+FDD5.25+ZiFi
    Байт 128К+TR-DOS+YM+TURBO+FDD5.25
    ReVerSE-U16 Rev.C
    Scorpion ZS-256
    STM32 AY Player
    AY AVR Player

  5. #15

    Регистрация
    05.10.2008
    Адрес
    Брест, Беларусь
    Сообщений
    130
    Спасибо Благодарностей отдано 
    26
    Спасибо Благодарностей получено 
    34
    Поблагодарили
    9 сообщений
    Mentioned
    0 Post(s)
    Tagged
    0 Thread(s)

    По умолчанию

    Собственно сделал райзер по схеме высше, завел Z-Controller, клава и мыша - работает, СД и винт еще не пробовал, надо еще допаять остальные слоты, докинуть туда еще например NeoGS

    Всем спасибо за помощь и ответы!

    фото


    [свернуть]
    Pentagon 128 mod.2014 (upgraded to 1024K)+TURBO+FDD3.5+MultiROM+TurboSound+StereoCovo x+NemoIDE
    ZX-Evolution rev.C White+NeoGS+AYX-32+HDD+2xFDD3.5+FDD5.25+ZiFi
    Байт 128К+TR-DOS+YM+TURBO+FDD5.25
    ReVerSE-U16 Rev.C
    Scorpion ZS-256
    STM32 AY Player
    AY AVR Player

  6. #16

    Регистрация
    16.12.2009
    Адрес
    Харьков
    Сообщений
    4,735
    Спасибо Благодарностей отдано 
    365
    Спасибо Благодарностей получено 
    379
    Поблагодарили
    242 сообщений
    Mentioned
    11 Post(s)
    Tagged
    1 Thread(s)

    По умолчанию

    Цитата Сообщение от djspawn Посмотреть сообщение
    Собственно сделал райзер по схеме высше, завел Z-Controller, клава и мыша - работает, СД и винт еще не пробовал, надо еще допаять остальные слоты, докинуть туда еще например NeoGS
    прикольно вышло!
    Profi must live!

    Моё железо...

    1. Profi 5.06/1Mb(DRAM)+Profi5.06(UP)/HDD/3`5FDD/CF512Mb/SD-CARD
    3. Profi 6.2 Rev. B/1Mb/3`5FDD/HDD3.2Gb
    4. Profi 5.05(down)/1Mb+Profi 5.03(UP)/Pentagon_Fix
    Все укомплектованы:
    Profi_ZX-BUS/ZXMC2/NemoIDE/SounDrive
    [свернуть]

    Ссылка на Telegram-канал поддержки пользователей Profi.

  7. #16
    С любовью к вам, Yandex.Direct
    Размещение рекламы на форуме способствует его дальнейшему развитию

  8. #17

    Регистрация
    05.10.2008
    Адрес
    Брест, Беларусь
    Сообщений
    130
    Спасибо Благодарностей отдано 
    26
    Спасибо Благодарностей получено 
    34
    Поблагодарили
    9 сообщений
    Mentioned
    0 Post(s)
    Tagged
    0 Thread(s)

    По умолчанию

    Цитата Сообщение от solegstar Посмотреть сообщение
    прикольно вышло!
    Да, только новый домик надо делать пентагону, ибо в этот уже все не влезет), а райзер - да, аккурат на корпуса мк ложится и хорошо сидит в цанге под проц)

    - - - Добавлено - - -

    Кому надо - печатака райзера в Sprint Layout 6:

    Riser_.zip


    Да, и забыл сказать, в спринте нет номеров контактов, так что в SL-62 (ZXBUS слоты) нумерация контактов начинается !сверху! т.е. контакты a1 b1 вверху как смотреть в спринте...
    Последний раз редактировалось djspawn; 01.02.2018 в 11:31.
    Pentagon 128 mod.2014 (upgraded to 1024K)+TURBO+FDD3.5+MultiROM+TurboSound+StereoCovo x+NemoIDE
    ZX-Evolution rev.C White+NeoGS+AYX-32+HDD+2xFDD3.5+FDD5.25+ZiFi
    Байт 128К+TR-DOS+YM+TURBO+FDD5.25
    ReVerSE-U16 Rev.C
    Scorpion ZS-256
    STM32 AY Player
    AY AVR Player

  9. #18

    Регистрация
    05.10.2008
    Адрес
    Брест, Беларусь
    Сообщений
    130
    Спасибо Благодарностей отдано 
    26
    Спасибо Благодарностей получено 
    34
    Поблагодарили
    9 сообщений
    Mentioned
    0 Post(s)
    Tagged
    0 Thread(s)

    По умолчанию



    Небольшое видео работы райзера с Z-Controller(HDD DNA OS), NeoGS
    Pentagon 128 mod.2014 (upgraded to 1024K)+TURBO+FDD3.5+MultiROM+TurboSound+StereoCovo x+NemoIDE
    ZX-Evolution rev.C White+NeoGS+AYX-32+HDD+2xFDD3.5+FDD5.25+ZiFi
    Байт 128К+TR-DOS+YM+TURBO+FDD5.25
    ReVerSE-U16 Rev.C
    Scorpion ZS-256
    STM32 AY Player
    AY AVR Player

  10. #19

    Регистрация
    14.05.2015
    Адрес
    г. Харьков, Украина
    Сообщений
    2,940
    Спасибо Благодарностей отдано 
    150
    Спасибо Благодарностей получено 
    302
    Поблагодарили
    171 сообщений
    Mentioned
    4 Post(s)
    Tagged
    1 Thread(s)

    По умолчанию

    Цитата Сообщение от djspawn Посмотреть сообщение
    Небольшое видео работы райзера с Z-Controller(HDD DNA OS), NeoGS
    Образ мой брали для винта ? Проблем не было ?
    Собираюсь новый делать с Matrix.
    Увы общий формат форума вышел из рамок моего любимого места , более тут не бываю.

  11. #20

    Регистрация
    05.10.2008
    Адрес
    Брест, Беларусь
    Сообщений
    130
    Спасибо Благодарностей отдано 
    26
    Спасибо Благодарностей получено 
    34
    Поблагодарили
    9 сообщений
    Mentioned
    0 Post(s)
    Tagged
    0 Thread(s)

    По умолчанию

    Цитата Сообщение от JV-Soft Посмотреть сообщение
    Образ мой брали для винта ? Проблем не было ?
    Собираюсь новый делать с Matrix.
    Да, именно Ваш!) Нет, проблем не было, развернул, докинул своих файлов немного - все отлично работает!) Да, было бы круто с Matrix, буду ждать!) Я так понимаю с Matrix нужно будет прошивку в ПЗУ другую шить? Если да, то сразу не мешало бы в архивчике с образом ромы банок приложить! так сказать для полноценной сборки)
    Pentagon 128 mod.2014 (upgraded to 1024K)+TURBO+FDD3.5+MultiROM+TurboSound+StereoCovo x+NemoIDE
    ZX-Evolution rev.C White+NeoGS+AYX-32+HDD+2xFDD3.5+FDD5.25+ZiFi
    Байт 128К+TR-DOS+YM+TURBO+FDD5.25
    ReVerSE-U16 Rev.C
    Scorpion ZS-256
    STM32 AY Player
    AY AVR Player

Страница 2 из 3 ПерваяПервая 123 ПоследняяПоследняя

Информация о теме

Пользователи, просматривающие эту тему

Эту тему просматривают: 1 (пользователей: 0 , гостей: 1)

Похожие темы

  1. Ответов: 3
    Последнее: 13.01.2018, 19:46
  2. CPU speed controller + K-MOUSE + BUS EXPANSION + JOYSTICK
    от VELESOFT в разделе Зарубежные модели
    Ответов: 0
    Последнее: 02.08.2016, 07:50
  3. продаються pentagon 2.2 и z-controller
    от sergey2b в разделе Барахолка (архив)
    Ответов: 9
    Последнее: 14.01.2011, 21:40
  4. Продам Z-Controller для Pentagon
    от drbars в разделе Барахолка (архив)
    Ответов: 5
    Последнее: 18.11.2009, 13:54
  5. Куплю Pentagon 128 в Харькове или в Донецке
    от l0nger в разделе Барахолка (архив)
    Ответов: 5
    Последнее: 24.03.2009, 16:16

Ваши права

  • Вы не можете создавать новые темы
  • Вы не можете отвечать в темах
  • Вы не можете прикреплять вложения
  • Вы не можете редактировать свои сообщения
  •