User Tag List

Страница 11 из 26 ПерваяПервая ... 789101112131415 ... ПоследняяПоследняя
Показано с 101 по 110 из 252

Тема: Орель БК-08

  1. #101

    Регистрация
    15.09.2008
    Адрес
    Кривой Рог, Украина
    Сообщений
    34
    Спасибо Благодарностей отдано 
    0
    Спасибо Благодарностей получено 
    0
    Поблагодарили
    0 сообщений
    Mentioned
    0 Post(s)
    Tagged
    0 Thread(s)

    По умолчанию

    Еще вопрос, на ореле работает матрас, но полный игнор на ПЗУ и ЦП, куда копать?
    АГАТ-7
    Ленинград 1
    Ленинград 2 + YM2149
    ZX клон на 16+48к

    Pentagon 128 был переправлен как трофей для Spiro
    Pentagon 512k
    Орель БК-08
    Пълдин 601А

  2. #102

    Регистрация
    08.05.2007
    Адрес
    Dnepropetrovsk
    Сообщений
    1,089
    Спасибо Благодарностей отдано 
    281
    Спасибо Благодарностей получено 
    70
    Поблагодарили
    49 сообщений
    Mentioned
    3 Post(s)
    Tagged
    0 Thread(s)

    По умолчанию

    Цитата Сообщение от Spir0 Посмотреть сообщение
    Upd: Вообщем есть с такой надписью - BASIC/OS-Rapid (c) Vlad, 1992. Если это оно , солью тогда прошивку в виде rom файла.
    Да, это оно! Выкладывай, очень интересно!

    ---------- Post added at 02:44 ---------- Previous post was at 02:39 ----------

    Цитата Сообщение от MacSys Посмотреть сообщение
    Еще вопрос, на ореле работает матрас, но полный игнор на ПЗУ и ЦП, куда копать?
    Матрас - это результат работы ЦП, так что игнора на него в твоем случае быть не может.

    Может быть у тебя переделанная "Орель", с подключением дисковода, тогда надо смотреть в районе микросхемы DD13 (ИД7) - рядом с процом - что там переделано и либо восстанавливать как было в оригинале, либо выяснять, как требуется подключать ПЗУ в результате переделок. Потому что здесь ситуация однозначная: нет выборки ПЗУ.

    Для наладки "Орелей" в свое время мне очень помогала микросхема 2764 с прошитым тестом памяти, который работал сугубо на регистрах процессора и мог вывести что-нибудь на экран даже в случае, если не имелось ни одной полностью рабочей ячейки памяти (ну типа одна-две РУши битые).

  3. #103

    Регистрация
    01.01.2009
    Адрес
    Донецк, Украина
    Сообщений
    3,260
    Спасибо Благодарностей отдано 
    35
    Спасибо Благодарностей получено 
    9
    Поблагодарили
    8 сообщений
    Mentioned
    2 Post(s)
    Tagged
    0 Thread(s)

    По умолчанию

    Barmaley_m, а мы все ждем от тебя продолжения истории о расширении Орели

  4. #104

    Регистрация
    08.05.2007
    Адрес
    Dnepropetrovsk
    Сообщений
    1,089
    Спасибо Благодарностей отдано 
    281
    Спасибо Благодарностей получено 
    70
    Поблагодарили
    49 сообщений
    Mentioned
    3 Post(s)
    Tagged
    0 Thread(s)

    По умолчанию

    Продолжаю про расширение "Орели".

    Остановились мы на том, что я привел схему навесок "LSY" и объяснил ее работу. Но на этом переделки, к сожалению, не заканчиваются, и в этом выпуске пойдет речь о портах стандартной "Орели" и о том, как я их переделал своем варианте расширения.

    Дешифрация портов в "Орели" выполнена на микросхеме DS1 - КР556РТ4А, которая расположена рядом с процессором. На нее идут 8 линий шины адреса, сигнал IORQ (в схеме - /IQ), а на выходе - 4 сигнала выборки портов: /CSP1, /CSP2, /JK, /CSPV.

    Назначение сигнала CSP1 легко установить из схемы. Это порт #FE. Второй порт CSP2 тоже довольно легко проследить, это "Орелевский" порт управления банками ПЗУ и теневого ОЗУ #7F. Работает этот порт только на запись, реализован на микросхеме DD35 (ТМ8) и имеет 4 бита.

    Назначение сигнала /JK было длительное время загадкой для меня, разрешить которую удалось только после считывания прошивки РТ4. Сигнал этот активируется при обращении к порту #1F. Идет он на микросхему DD1 (ЛН6), которая при чтении из порта #1F подает на шину данных некоторые сигналы нажатия клавиш на клавиатуре (инвертированные). Поскольку микросхема ЛН6 имеет только 6 бит из 8, то ее последний бит формирует сигнал /JKR, который через повторитель с открытым коллектором DD2 (ЛП9) обнуляет сигналы D5, D6, D7 и AB12 (адресная линия клавиатуры).

    Таким образом, мы имеем дело с оригинальной эмуляцией Kempston-Joystick. При подключении джойстика к соответствующим разъемам "Орели" он может восприниматься программами и как Kempston, и как Sinclair. Однако те программы, которые опрашивают одновременно и клавиатуру, и Kempston Joystick, начинают работать неправильно. Например, это игра Down to Earth. В целом, несмотря на кажущуюся работоспособность идеи, такая эмуляция Kempston Joystick приводит только к неудобствам и несовместимости программ, поэтому любому владельцу "Орели" рекомендуется отключить ее путем удаления микросхемы DD1. Тем более что она нагружает шину данных выходной емкостью и, будучи из серии К155, жрет немало электричества.

    Оставшийся сигнал /CSPV в схеме нигде не используется и только выведен на разъем расширения. В схеме "Орели" есть еще несколько таких сигналов, которые используются только в схемах расширения: /BINT, /INTV, /DV0, /DV1 и др. Подробнее об их работе и назначении могу рассказать отдельно.

    Из считанной прошивки удалось установить, что сигнал /CSPV активируется при обращении к порту #FF.

    -------------

    В моей схеме переделки, касающиеся дешифрации портов, заключались в следующем.

    1. Я отказался от эмуляции Kempston Joystick, но место микросхемы DD1 использовал, чтобы реализовать чтение из порта #7FFD. Вместо ЛН6 впаял туда К155ЛП10, которая совпадает с ЛН6 по разводке выводов и вообще во всем, кроме одного: она пропускает сигнал без инверсии. Клавиатурные сигналы от входов DD1 отключил, а вместо них припаял сигналы с выходов регистра (ТМ9) порта #7FFD. Отключил также от 15 вывода DD1 сигнал /JK и вместо него подключил сигнал /R7FFD схемы расширения. Так что считывание из порта #7FFD осуществлялось по тому же адресу, что и запись.

    При всех преимуществах такого подхода, на данный момент мне кажется, что это была плохая идея. Слишком много переделок на плате, лишние провода от платы расширения на основную плату "Орели". Если бы делал расширение сегодня, я бы просто удалил DD1 и оставил ее место пустым, а чтение из порта #7FFD реализовал бы на чем-нибудь вроде КР1533АП5/АП6, расположенной на плате расширения.

    2. Освободившийся сигнал /JK был использован для выборки портов TR-DOS. Расширение по схеме LSY предусматривало "открытые" порты контроллера дисковода, то есть обращение к ним могло происходить из любого места памяти, а не только из TR-DOS. В связи с этим, чтобы исключить "случайные" обращения из различных программ, нужно обеспечить дешифрацию портов контроллера по их точным адресам, с чем прекрасно и справляется РТ4. Для этого, конечно, пришлось заменить ее прошивку (т.е. заменить саму микросхему другой, с новой прошивкой). В новой прошивке соответствующий бит активировался по адресам #1F, #3F, #5F, #7F, #FF. Поскольку сигнал /JK не был выведен на системный разъем расширения, то пришлось его туда вывести. Также пришлось соответствующим образом переделать контроллер дисковода.

    3. Сигнал /CSPV я аналогично, использовал для точной дешифрации портов принтера. У меня был контроллер дисковода, совмещенный с контроллером принтера (Kempston E) разработки С. Брылева. Был и принтер, поэтому вопрос был для меня актуален. Тем, кто будет повторять мою схему, вероятно, такое подключение принтера не понадобится, поэтому о сигнале /CSPV и соответствующих изменениях прошивки РТ4 можно забыть!

    4. Порт выбора банков ПЗУ "Орели" на ТМ8 и сигнал /CSP2 были мною использованы в качестве "спецпорта LSY". Только его адрес был изменен, чтобы не конфликтовать с портом контроллера #7F. В качестве адреса был выбран #7B. При этом бит 0 этого порта (сигнал "Орели" RN) был мною назван в схеме расширения DV0 (неудачный выбор, т.к. он может вызвать путаницу с оригинальным сигналом /DV0, расположенным на другом бите). Бит 1 порта расширения - сигнал RC - в качестве сигнала BLKROM LSY (в принципе, то же назначение, что и в "Орели"). Бит 3 порта (обратите внимание, сигнал D2 на микросхему ТМ8 не идет!) - сигнал EMUL, и бит 4 - сигнал PA3 (выбор верхних страниц). Также обратите внимание, что сигналы "Орели" /DV0 и /DV1 взяты с инверсных выходов ТМ8, а я брал сигналы EMUL и PA3 с прямых выходов.

    Сигналы /DV0 и /DV1 в схеме "Орели" нигде не используются и только выведены на системный разъем.

    Были и еще переделки, о них расскажу в следующем выпуске!

  5. #105

    Регистрация
    08.05.2007
    Адрес
    Dnepropetrovsk
    Сообщений
    1,089
    Спасибо Благодарностей отдано 
    281
    Спасибо Благодарностей получено 
    70
    Поблагодарили
    49 сообщений
    Mentioned
    3 Post(s)
    Tagged
    0 Thread(s)

    По умолчанию

    Еще одна существенная переделка касалась схемы выборки ОЗУ на микросхеме DD6 (К555ЛР4) и DD7.1. Сигнал /CSM, который формируется на выходе DD7.1 имеет активный низкий уровень и сигнализирует об обращении процессора к ОЗУ. Логика его выработки в оригинальной "Орели" следующая.

    Сигнал процессора MREQ (в схеме "Орели" - /MQ) - это обращение процессора к памяти. ОЗУ блокируется только при чтении или регенерации (Z80 RFSH) по адресам 0000-3FFF, при условии, что сигнал RC=0 (т.е. теневое ОЗУ выключено). При записи по этим адресам, независимо от сигнала RC, ОЗУ всегда срабатывает, то есть запись в теневое ОЗУ происходит даже тогда, когда оно вроде бы отключено.

    ------

    В LSY логика другая. При включенном ПЗУ (сигнал спецпорта BLKROM=0) и любом обращении по адресам 0000-3FFF ОЗУ должно быть заблокировано. При BLKROM=1 все зависит от сигнала EMUL. При EMUL=0 ОЗУ срабатывает при чтении и при записи (нормальный режим теневого ОЗУ), а при EMUL=1 ОЗУ срабатывает только на чтение. Часть этой логики реализована на схеме расширения, выходной сигнал /CSE.

    Минимального количества переделок удается добиться в следующем случае.

    Во-первых, нужно отрезать от микросхемы DD13 сигналы RN (выбор банка ПЗУ) и A13. Оба входа подключить к общему проводу. Тем самым микросхема DD13 будет вырабатывать только сигнал /CS1 при обращении к ПЗУ. Все содержимое ПЗУ LSY нужно прошить в одну микросхему 27512 и установить ее на место DS2.

    На один из "освободившихся" входов DD6, куда приходят сигналы /CS2, /CS3 и /CS4, вместо одного из этих сигналов нужно подать сигнал /CSE схемы расширения. Также необходимо заблокировать работу второй "половинки" DD6. Как я помню, это сделать сложно из-за того, что дорожки неудачно проходят. Как один из вариантов - можно отрезать выводы 10,11 и 12 от сигнала /RH (Z80 RFSH) и подключить их к общему проводу.

    Я сталкивался с ненадежной работой схемы, обусловленной влиянием DD6. ЛР4 - довольно медленная микросхема, и она стоит в длинной цепочке логики, так что необходимые сигналы выборки ОЗУ формируются слишком долго. Помогала замена ЛР4 на КР1533ЛА2 (у них похожая разводка выводов), можно еще предложить заменить DD13 на КР1533ИД7, если раньше там стояла ИД7 555й серии. Либо можно как-то оптимизировать структуру этой части схемы - у меня на тот момент мозгов не хватило все это продумать, а сейчас уже неактуально, так что если кто-то сможет сделать лучше - милости просим

    Еще нужно рассмотреть формирование адресов A14 и A15 на ПЗУ 27512. Там тоже требуется логическая схема. Потому что у LSY 4 банка ПЗУ:

    0 - Basic128
    1 - Basic48
    2 - Lsy-Setup
    3 - TR-DOS

    Логика выбора ПЗУ должна быть следующей:

    При сбросе (BLKROM=0, EMUL=0) включается LSY-Setup
    При работе с бейсиками и TR-DOS в ПЗУ (BLKROM=0, EMUL=1) включаются бейсики и TR-DOS.

    Сведущий читатель сможет сам разработать логическую схему для формирования необходимых A14 и A15 на ПЗУ. Как я делал, уже не помню сейчас. Удалось ли избежать дополнительных корпусов - тоже не помню. Но одну такую схему я собрал точно - для Тимура Портянина. В моей лично "Орельке" не было бейсика-128, поэтому там с ПЗУ все было по-другому.

    Прошивку LSY-Setup могу выложить отдельно.

    Если есть вопросы - задавайте!

  6. #106

    Регистрация
    15.02.2005
    Адрес
    г. Днепропетровск, Украина
    Сообщений
    166
    Спасибо Благодарностей отдано 
    2
    Спасибо Благодарностей получено 
    3
    Поблагодарили
    3 сообщений
    Mentioned
    0 Post(s)
    Tagged
    0 Thread(s)

    По умолчанию

    Итак, держите

    BASIC/OS-RAPID 1992
    rapidos92.zip

    Тоже, только еще и с TR-DOS
    rapid_trdos.zip
    Ленинград-2 + 256кБ + BDI (FDD Teac 5.25 + 3.5) + YM2149 + PS/2 Keyb(Caro)
    Ленинград-2 + 1MБ (Kay1024 Standart) + BDI (FDD Teac 3.5) + AY8912 + PS/2 Keyb(Caro)
    Pentagon 128кБ (в процессе восстановления)

  7. #106
    С любовью к вам, Yandex.Direct
    Размещение рекламы на форуме способствует его дальнейшему развитию

  8. #107

    Регистрация
    01.01.2009
    Адрес
    Донецк, Украина
    Сообщений
    3,260
    Спасибо Благодарностей отдано 
    35
    Спасибо Благодарностей получено 
    9
    Поблагодарили
    8 сообщений
    Mentioned
    2 Post(s)
    Tagged
    0 Thread(s)

    По умолчанию

    Цитата Сообщение от Barmaley_m Посмотреть сообщение
    Прошивку LSY-Setup могу выложить отдельно.
    выкладывай.
    А каково ее назначение? Загрузка эмуляторных прошивок?

  9. #108

    Регистрация
    29.05.2006
    Адрес
    Kiev
    Сообщений
    25
    Спасибо Благодарностей отдано 
    0
    Спасибо Благодарностей получено 
    0
    Поблагодарили
    0 сообщений
    Mentioned
    0 Post(s)
    Tagged
    0 Thread(s)

    По умолчанию

    Цитата Сообщение от Spir0 Посмотреть сообщение
    Итак, держите

    BASIC/OS-RAPID 1992
    rapidos92.zip

    Тоже, только еще и с TR-DOS
    rapid_trdos.zip
    Обалдеть. К сожалению, не могу сказать, такая же у меня версия была или нет. Прочитанные с ленты данные настолько изуродованы, что нельзя определить, оно это или не оно.

    Но по внешнему виду - вроде оно. Спасибо!

  10. #109

    Регистрация
    08.05.2007
    Адрес
    Dnepropetrovsk
    Сообщений
    1,089
    Спасибо Благодарностей отдано 
    281
    Спасибо Благодарностей получено 
    70
    Поблагодарили
    49 сообщений
    Mentioned
    3 Post(s)
    Tagged
    0 Thread(s)

    По умолчанию

    Цитата Сообщение от Дмитрий Посмотреть сообщение
    выкладывай.
    А каково ее назначение? Загрузка эмуляторных прошивок?
    При всей скромности набора функций этой прошивки (будет описано ниже) именно вид и работа LSY-Setup производили наибольшее впечатление на очевидцев Ну наверно просто я угадал, что нужно было сделать компьютеру, и сделал это. После меня уже эту прошивку дорабатывали, ускоряли, расширяли до 512К, вставляли в нее AY-музыку, улучшали дизайн и т.д. Занимались этим такие ребята, как SVV (Днепропетровск), но я детально в этот процесс не вникал и исход его не знаю.

    Функции у прошивки следующие:
    1. Тест памяти при включении компьютера. Этот тест работает исключительно на регистрах Z80 и может вывести на экран осмысленное сообщение об ошибке, даже если нет ни одной исправной ячейки ОЗУ (как бывает в случае отсутствия или полного выхода из строя одной из РУшек). Я также старался оптимизировать этот тест по быстродействию, широко пользовался командами PUSH. Вместе с тем, по мере тестирования, со щелчками на экран выводятся надписи, как только завершена каждая страница по 16К. Ну как в биосе на PC. Тест памяти... 16К, 32К, 64К... 256К исправно.

    Когда я расширил "Орель" Тимуру по своей схеме, то через некоторое время у него тест начал ругаться на ошибку. По сообщению я установил, что это за РУшка, заменил ее - и все заработало. Полезная вещь.

    Тест отрабатывает при включении только один раз. Потому что, даже после сильной оптимизации, прогнать 256К, опираясь только на регистры, занимает существенное время. LSY-Setup записывает в определенное место страницы 13 (там же размещается теневой монитор) конфигурацию с контрольной суммой, так что если содержимое этого участка страницы 13 не повреждено, то при последующих сбросах тест не вызывается.

    2. После теста памяти на экран выводится меню со следующим содержимым:

    1. Reset button - Setup
    2. Execute system - Basic 128
    3. Execute!
    4. Information

    Пункт 1 назначает действие кнопки сброса. Возможные варианты: 1. 128 Basic, 48 Basic, TR-DOS, Setup, User. Для первых вариантов задается еще дополнительно следующие вопросы: Try booting? 48K mode? Emulation? Fast reset? Для режима User задается адрес перехода, содержимое порта 7B и содержимое порта 7FFD.

    Дополнительные опции означают следующее.

    Try booting - LSY-Setup инициализирует системные переменные бейсика и TR-DOS, загружает 8й сектор 0го трека, и если он является загрузочным (т.е. имеет длину 512байт или 1кб, как в случае IS-DOS) - то управление передается загрузчику. Данная функция работала не совсем надежно, IS-DOS из-под нее по-моему не грузилась (хотя грузилась CP/M, ASM, AMS) - так что я ею никогда не пользовался. В случае ошибки чтения или если сектор не загрузочный - то управление передавалось основной системе в обычном порядке (бейсику или TR-DOS).

    48K mode - понятно что означает, блокируется запись в порт 7FFD.

    Emulation - происходит вызов бейсика или TR-DOS не из ПЗУ, а в режиме эмуляции ПЗУ.

    Fast reset - вот это была самая полезная и нужная функция. Все бейсики и TR-DOS при сбросе производят довольно дурацкий тест памяти, который память особенно не тестирует, но отнимает драгоценное время. Так как в LSY память при первом сбросе уже была протестирована более совершенным тестом, то в режиме FAST RESET производится быстрая очистка 48К или 128К памяти (через PUSH в размотанных циклах), а потом управление передается в такую точку бейсиков или TR-DOS, когда там начинается инициализация. Я всегда таким образом настраивал кнопку сброса на вход в TR-DOS. Не успел отпустить кнопку - а TR-DOS уже грузится с диска.

    --------

    Пункт меню 2 устанавливал те же самые опции, но не для кнопки сброса, а для ручного выполнения. Когда из меню нажать кнопку "3" - то выполнялось то, что было задано в п. 2. На практике я обычно настраивал этот переход на TR-DOS в режиме эмуляции ПЗУ - чтобы запускать из-под стандартной синклеровской прошивки какую-нибудь прогу, которой не нравился Bogobasic.

    --------

    Независимо от того, что было настроено на кнопку сброса, если во время сброса удерживать клавишу ALT (Caps Shift) - то управление всегда передавалось на меню.

    --------

    Загрузкой прошивок в те области ОЗУ, которые использовались для эмуляции ПЗУ, LSY-Setup не занимался. Этим занималась коротенькая программа, которую написал Тимур: ME (Monitor+Emulation). Ее можно было запустить из-под бута, в результате чего в память быстро (fast-loader) загружался теневой монитор и прошивки для эмуляции.

    К сожалению, выложить образ прошивки не могу (нет под рукой). Может быть получится через некоторое время, а на данный момент могу выложить лишь исходники (они есть). Компилируются под CP/M. Кто хочет - сможет сам собрать

  11. #110

    Регистрация
    08.05.2007
    Адрес
    Dnepropetrovsk
    Сообщений
    1,089
    Спасибо Благодарностей отдано 
    281
    Спасибо Благодарностей получено 
    70
    Поблагодарили
    49 сообщений
    Mentioned
    3 Post(s)
    Tagged
    0 Thread(s)

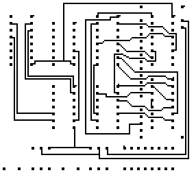
    По умолчанию разводка платы расширения LSY

    Вот еще нарыл в архивах разводку печатной платы расширения LSY (с подключением AY).

    Такую плату я изготовил в единственном экземпляре для Тимура. Моя собственная "Орель" была расширена навесным монтажом, с использованием старой платы расширения до 128К + AY.

    Разводилась плата в граф. редакторе ART Studio. Имеется 3 файла: brd_top.png, с изображением верхней стороны платы; brd_bot.png для нижней стороны платы, и brd_pad.png - там изображены только контактные площадки, без учета резисторов.

    Обратите внимание, что:

    1) первые выводы каждой микросхемы маркированы "хвостиком" - это особенно четко видно из картинки brd_pad.
    2) Для AY сверлятся дырки только для тех выводов, которые используются. Остальные ножки извлекаются из панельки. Под AY расположены две микросхемы.
    3) На плате разведены также резисторы для аналоговой части схемы AY
    4) Плата разводилась в соответствии со схемой, которую я выложил ранее.
    5) Кроме этой платы, в компьютер Тимура я не паял навесным монтажом никаких микросхем. Также у него был полный вариант ПЗУ 27512 с бейсиком-128 и LSY-Setup и "маленький" контроллер дисковода. Поэтому никаких дополнительных корпусов не было нужно для выборки ПЗУ. Как я это сделал тогда - уже не помню!

    Где на плате какие микросхемы - тоже не помню! Те, кому интересно, могут попытаться догадаться, где что, по схеме, а если где будут затруднения - обращайтесь, подумаем вместе!
    Миниатюры Миниатюры Нажмите на изображение для увеличения. 

Название:	brd_top.png 
Просмотров:	1016 
Размер:	1.3 Кб 
ID:	12916   Нажмите на изображение для увеличения. 

Название:	brd_bot.png 
Просмотров:	1032 
Размер:	1.3 Кб 
ID:	12918   Нажмите на изображение для увеличения. 

Название:	brd_pad.png 
Просмотров:	966 
Размер:	376 байт 
ID:	12919  
    Последний раз редактировалось Barmaley_m; 23.08.2009 в 15:28. Причина: забыл добавить аттачи, ошибся про ТМ9

Страница 11 из 26 ПерваяПервая ... 789101112131415 ... ПоследняяПоследняя

Информация о теме

Пользователи, просматривающие эту тему

Эту тему просматривают: 1 (пользователей: 0 , гостей: 1)

Ваши права

  • Вы не можете создавать новые темы
  • Вы не можете отвечать в темах
  • Вы не можете прикреплять вложения
  • Вы не можете редактировать свои сообщения
  •