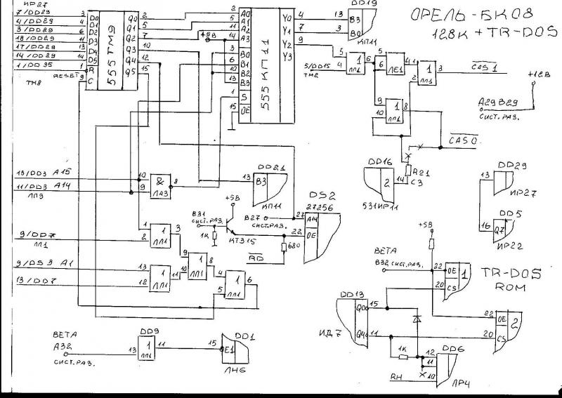
Досталась Орель уже доработанная до 128к и с запаянными ПЗУ TR-DOS.
С магнитофонного входа 128 игрушки грузятся. Проверял "Renegade128", "RickII Dangerous", "Prince of Persia" во всяком случае запускаются и не вешаются.
Но есть проблема не работает фирменный Орелевский BDI
Подробнее в соответствующей теме:
http://zx-pk.ru/showthread.php?p=824755
Схема доработок в аттаче. С виду вроди все по феншую, но подвох какой-то есть.
Интерестно мнение уважаемых гуру, по данному вопросу.





Ответить с цитированием