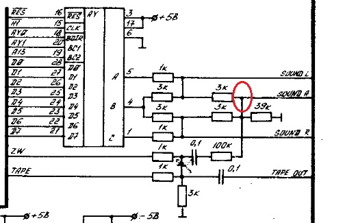
Как грамотно согласовать выход с ковокса (на резисторах) с стерео выходом скорпиона?
Стерео AY звучит громко и хорошо. Бипер уже потише и равен громкости полного звукового сигнала со всех каналов. А с ковокса совсем негромко по сравнению со стерео при подключении в отмеченную точку.
Один пользователь рекомендовал использовать для усиления TDA7052.
Хочется сделать компактно и по уму.


Ответить с цитированием
Размещение рекламы на форуме способствует его дальнейшему развитию 

Profi must live!