User Tag List

Страница 14 из 49 ПерваяПервая ... 101112131415161718 ... ПоследняяПоследняя
Показано с 131 по 140 из 490

Тема: PAL/GAL и все что с ними связано.

  1. #131

    Регистрация
    30.08.2010
    Адрес
    Санкт-Петербург
    Сообщений
    1,263
    Спасибо Благодарностей отдано 
    53
    Спасибо Благодарностей получено 
    200
    Поблагодарили
    163 сообщений
    Mentioned
    2 Post(s)
    Tagged
    0 Thread(s)

    По умолчанию

    Цитата Сообщение от solegstar Посмотреть сообщение
    она не лишняя и не обязательно для конкретной платы.
    Спасибо Вам большое, но
    , если не для конкретной платы, то стоит продумать вариант, в котором длинные порты могут включаються как высоким уровнем, так и низким, а то в таком виде её на любую плату не поставишь...

    ---------- Post added at 16:21 ---------- Previous post was at 16:16 ----------

    Цитата Сообщение от Gutten Посмотреть сообщение
    Если на логике, то в нём есть свободные элементы ТМ2, ЛА3, ЛИ1, ЛН2, ЛП9.
    Если Вы сообщите:
    - какой скорпион (жёлтый, зелёный или ещё какой),
    - какие номера микросхем по схеме имеют лишние элементы,
    - каковы номера этих лишних элементов в микросхеме,
    то можно будет изобразить монтажную схему этой доработки для практического воплощения
    Последний раз редактировалось krotan; 10.02.2014 в 16:23.

  2. #132

    Регистрация
    16.12.2009
    Адрес
    Харьков
    Сообщений
    4,735
    Спасибо Благодарностей отдано 
    365
    Спасибо Благодарностей получено 
    378
    Поблагодарили
    241 сообщений
    Mentioned
    11 Post(s)
    Tagged
    1 Thread(s)

    По умолчанию

    Цитата Сообщение от krotan Посмотреть сообщение
    Спасибо Вам большое, но
    , если не для конкретной платы, то стоит продумать вариант, в котором длинные порты могут включаються как высоким уровнем, так и низким, а то в таком виде её на любую плату не поставишь...
    сейчас практически во всех спеках управление портами сделано низким уровнем, причем конструкторам глубоко пофигу на то, что для ТМ9 в справочнике написано защелкивание шины по переднему фронту. Если человек задастся целью поставить себе блокировку портов, то он или сам додумает схему по приведенному принципу с оригинальным описанием автора, или спросит на форуме, или Вы предлагаете сделать монстра с кучей перемычек, где человек запутается и возникнет еще больше вопросов? на этой же связке ЛА3+ТМ2 схема легко превращается в схему с активным высоким уровнем, только надо переставить инвертор на выход, после элемента 2И-НЕ... ниче сложного.
    Миниатюры Миниатюры Нажмите на изображение для увеличения. 

Название:	1ffd_block_2.jpg 
Просмотров:	320 
Размер:	21.7 Кб 
ID:	45692  
    Последний раз редактировалось solegstar; 10.02.2014 в 21:44.
    Profi must live!

    Моё железо...

    1. Profi 5.06/1Mb(DRAM)+Profi5.06(UP)/HDD/3`5FDD/CF512Mb/SD-CARD
    3. Profi 6.2 Rev. B/1Mb/3`5FDD/HDD3.2Gb
    4. Profi 5.05(down)/1Mb+Profi 5.03(UP)/Pentagon_Fix
    Все укомплектованы:
    Profi_ZX-BUS/ZXMC2/NemoIDE/SounDrive
    [свернуть]

    Ссылка на Telegram-канал поддержки пользователей Profi.

  3. #133

    Регистрация
    30.08.2010
    Адрес
    Санкт-Петербург
    Сообщений
    1,263
    Спасибо Благодарностей отдано 
    53
    Спасибо Благодарностей получено 
    200
    Поблагодарили
    163 сообщений
    Mentioned
    2 Post(s)
    Tagged
    0 Thread(s)

    По умолчанию

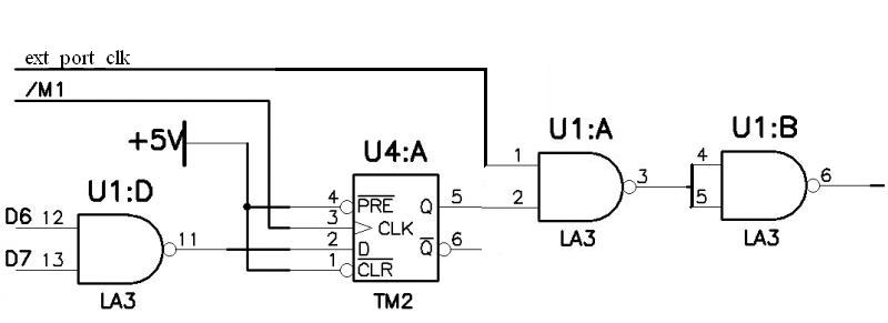
    Цитата Сообщение от solegstar Посмотреть сообщение
    на этой же связке ЛА3+ТМ2 схема легко превращается в схему с активным высоким уровнем, только надо брать сигнал с прямого выхода ТМ2 и переставить инвертор на выход, после элемента 2И-НЕ
    Я думаю, у Вас ошибка, в обоих случаях следует использовать прямой выход ТМ2. Обратите пожалуйста внимание на мои схемы и симуляции
    Вот Ваша схема для активного высокого уровня и её симуляция:

    Последний раз редактировалось krotan; 10.02.2014 в 21:15.

  4. #134

    Регистрация
    16.12.2009
    Адрес
    Харьков
    Сообщений
    4,735
    Спасибо Благодарностей отдано 
    365
    Спасибо Благодарностей получено 
    378
    Поблагодарили
    241 сообщений
    Mentioned
    11 Post(s)
    Tagged
    1 Thread(s)

    По умолчанию

    Цитата Сообщение от krotan Посмотреть сообщение
    Я думаю, у Вас ошибка, в обоих случаях следует использовать прямой выход ТМ2.
    да, я там сначала нарисовал правильную схему для ЛА3+ТМ2, потом исправил на не правильную, когда начал рисовать для высокого уровня. вернул обратно оригинал. спасибо.

    ---------- Post added at 19:45 ---------- Previous post was at 19:43 ----------

    че тут скажешь - конец рабочего дня сказывается. )
    Profi must live!

    Моё железо...

    1. Profi 5.06/1Mb(DRAM)+Profi5.06(UP)/HDD/3`5FDD/CF512Mb/SD-CARD
    3. Profi 6.2 Rev. B/1Mb/3`5FDD/HDD3.2Gb
    4. Profi 5.05(down)/1Mb+Profi 5.03(UP)/Pentagon_Fix
    Все укомплектованы:
    Profi_ZX-BUS/ZXMC2/NemoIDE/SounDrive
    [свернуть]

    Ссылка на Telegram-канал поддержки пользователей Profi.

  5. #135

    Регистрация
    15.07.2009
    Адрес
    Череповец
    Сообщений
    1,801
    Спасибо Благодарностей отдано 
    178
    Спасибо Благодарностей получено 
    64
    Поблагодарили
    49 сообщений
    Mentioned
    0 Post(s)
    Tagged
    0 Thread(s)

    По умолчанию

    Что-то у меня схема с резистором из поста #128 не заработала...

  6. #136

    Регистрация
    30.08.2010
    Адрес
    Санкт-Петербург
    Сообщений
    1,263
    Спасибо Благодарностей отдано 
    53
    Спасибо Благодарностей получено 
    200
    Поблагодарили
    163 сообщений
    Mentioned
    2 Post(s)
    Tagged
    0 Thread(s)

    По умолчанию

    Цитата Сообщение от Gutten Посмотреть сообщение
    Что-то у меня схема с резистором из поста #128 не заработала...
    Схема, вроде, правильная. По каким признакам? Резистор стоит потому что открытый коллектор. Возможно, его номинал стоит увеличить...

  7. #136
    С любовью к вам, Yandex.Direct
    Размещение рекламы на форуме способствует его дальнейшему развитию

  8. #137

    Регистрация
    15.07.2009
    Адрес
    Череповец
    Сообщений
    1,801
    Спасибо Благодарностей отдано 
    178
    Спасибо Благодарностей получено 
    64
    Поблагодарили
    49 сообщений
    Mentioned
    0 Post(s)
    Tagged
    0 Thread(s)

    По умолчанию

    признак такой, что программы с OUT253,X зависают, а при исправлении на OUT 32765,X работают.

  9. #138

    Регистрация
    16.12.2009
    Адрес
    Харьков
    Сообщений
    4,735
    Спасибо Благодарностей отдано 
    365
    Спасибо Благодарностей получено 
    378
    Поблагодарили
    241 сообщений
    Mentioned
    11 Post(s)
    Tagged
    1 Thread(s)

    По умолчанию

    Перемычка расширенной памяти стоит для скорпиона?
    Profi must live!

    Моё железо...

    1. Profi 5.06/1Mb(DRAM)+Profi5.06(UP)/HDD/3`5FDD/CF512Mb/SD-CARD
    3. Profi 6.2 Rev. B/1Mb/3`5FDD/HDD3.2Gb
    4. Profi 5.05(down)/1Mb+Profi 5.03(UP)/Pentagon_Fix
    Все укомплектованы:
    Profi_ZX-BUS/ZXMC2/NemoIDE/SounDrive
    [свернуть]

    Ссылка на Telegram-канал поддержки пользователей Profi.

  10. #139

    Регистрация
    15.07.2009
    Адрес
    Череповец
    Сообщений
    1,801
    Спасибо Благодарностей отдано 
    178
    Спасибо Благодарностей получено 
    64
    Поблагодарили
    49 сообщений
    Mentioned
    0 Post(s)
    Tagged
    0 Thread(s)

    По умолчанию

    да.
    Плюс программа HFT1_02 показывает "Обращение по порту FDh: невозможно"

  11. #140

    Регистрация
    30.08.2010
    Адрес
    Санкт-Петербург
    Сообщений
    1,263
    Спасибо Благодарностей отдано 
    53
    Спасибо Благодарностей получено 
    200
    Поблагодарили
    163 сообщений
    Mentioned
    2 Post(s)
    Tagged
    0 Thread(s)

    По умолчанию

    Если активация происходит всё-таки высоким уровнем, схема должна быть такой:

Страница 14 из 49 ПерваяПервая ... 101112131415161718 ... ПоследняяПоследняя

Информация о теме

Пользователи, просматривающие эту тему

Эту тему просматривают: 5 (пользователей: 0 , гостей: 5)

Похожие темы

  1. ДВК (и всё, что с ними связано)
    от Grand в разделе ДВК, УКНЦ
    Ответов: 4575
    Последнее: 17.11.2025, 11:38
  2. Ответов: 50
    Последнее: 04.05.2019, 09:13
  3. Видеорежимы и работа с ними
    от icebear в разделе Программирование
    Ответов: 23
    Последнее: 26.07.2005, 12:55
  4. Видеорежимы и работа с ними
    от icebear в разделе Несортированное железо
    Ответов: 3
    Последнее: 21.07.2005, 11:49
  5. Ответов: 0
    Последнее: 25.06.2005, 23:14

Ваши права

  • Вы не можете создавать новые темы
  • Вы не можете отвечать в темах
  • Вы не можете прикреплять вложения
  • Вы не можете редактировать свои сообщения
  •