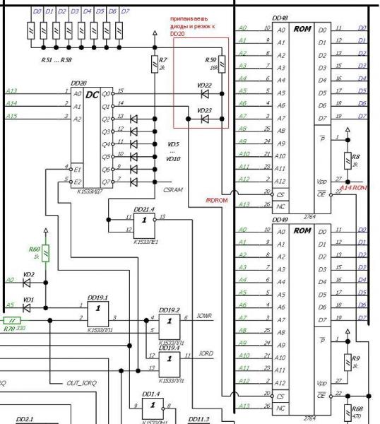
Во общем мне нужно 27 вывод подключить к "0" ?
Мне дали прошивки 48+trdos503.rom занимает 32 Кбайта она подойдет ?
Тут еще есть 48_0.rom и 48_1.rom, получается либо прошить той ? либо склеить 48_0.rom и 48_1.rom вместе и прошить ?
Огромное спасибо за помощь в восстановлении развлечения детства Спектрума =]


Ответить с цитированием
Profi must live!
1.




