какой интерфейс для подключения используется? напрямую или снова через ПиСи???
Вид для печати
И зелёные буквы. И дрожащее изображение. И шум вентилятора из монитора. И сирена, когда комп не принял очередной символ и в терминале переполнилась очередь на отсылку. И 50 Гц черезстрочной. И 12 кг веса. Характеристики моего первого терминала. Только у него будет тру ламповый звук.
Т.к. проблема обрезания правого края изображения относится не только к УКНЦ, в последней прошивке GBS-Control её, похоже, пофиксили. У меня получилось в режиме 1280х960 растянуть картинку на весь экран используя новую фичу "Overscan".
Overscan - Supported presets will allow for more overscan at a slightly reduced image quality. В остальных видеорежимах пока не очень получается. Еще жду пока приедут гнезда для MTV230 и буду делать "колпак" для платы GBS с HDMI выходом - буду еще над ней экспериментировать.
В остальных режимах и не получится, разработчик мне пояснял, что для возможности захватывать больше по горизонтали, придется пожертвовать качеством (не знаю, с чем это связано).
Качество реально хуже в этом режиме, чем допустим четкость картинки БК в режиме fullHD? От какого числа новая прошивка?
overscan for 1920x1080@50 + @60 на сайте указано, но у меня в этом режиме монитор гнусмаС отказывается работать.
Я пока никаких модификаций из рекомендованных на сайте не делал, так что не сильно заметно. Надо фотки сделать и сравнить (у меня УКНЦ - БК нет). Прошивка от 1 мая.
- - - Добавлено - - -
Хорошо бы еще понимать что дают остальные кнопки из интерфейса...
Странное дело, качнул последнюю версию gbs-control, улучшения интерфейса порадовали конечно, а вот при работе с БК0011М он теперь так же трясет изображение, как и ранее с Союз-Неон. Откатился на версию от 12.02.2019 и на БК всё нормализовалось. Неон, УКНЦ пока не проверял с новой прошивкой.
В общем, улучшения опять не совсем туда, куда надо
Купил тоже GBS-8220 для своей УКНЦ, жду пока доставят.
Обрезается где? У "голого" GBS изображение должно влезать в экран по ширине без проблем. "Теряется" только нижняя служебная строка.
Полноценных прошивок именно для GBS встречается всего две - старая (универсальная) и очень старая (для аркадных машин США). Есть еще одна современная, но она недоделанная и для работы не годится совсем.
Обновления прошивок сейчас обсуждается только для GBS Comtrol (который на основе ESP8266 делается).
Если нужно работать именно с прошивкой GBS - тогда читать отсюда немножко и далее сюда.
Может быть и должно, но всё равно не влезает :)
http://www.imageup.ru/img6/3407789/img_8166.jpg
http://www.imageup.ru/img6/3407792/img_8168.jpg
А, теперь понял. Это монстр из трёх плат (не считая компьютера для перепрошивки), а не конечный продукт. Это сложно для обычного человека
:)
И снова "здрасти"!!! Так быть не должно - нижней служебной строки через GBS обычно не видно! Что-то мне очень захотелось заглянуть в прошивку этого экземпляра ... ;-) В общем - нужно собирать программатор и с помощью Postal 2 слить родную прошивку, поменять на другую прошивку и посмотреть что получится. Ну и сравнить прошивки между собой. Тогда будет понятно - это особенность прошивки или железа.
А откуда третья? Если без ПК, то нужны только GBS и ESP8266. Но в остальном да - тот еще конструктор (хотя сейчас уже сильно все проще).
Выделил время и сделал пару итераций GBS Control. Фото
Самый первый вариант был приделан к тестовой плате через соединительную колодку (чтобы снимался). Её на фото нет. Во второй итерации для Wemos D1 сделан переходник одевающийся на м/с MTV230. Кстати, я когда припаивал гребенки и пр., сделал неправильно - припаял все контакты. В результате, симметричная плата одевалась любой стороной ;( Было принято решение - ногу 5В откусить, её гнездо в колодке "забить". Чтобы 5В ТОЧНО НЕ попало куда не нужно.
В третьей итерации припаял Wemos D1 к гнезду и закрепил на нем. Закрепил так: гнездо USB припаяно к полосе металлизации по краю платы (было лень спиливать, а тут еще и пригодилось), консольный конец закрепил термоклеем (понимаю что отстойное решение, но самое быстрое). Не знаю как у других, но кроме выпиливания выступов внутри гнезда, пришлось еще стачивать гнездо сверху - иначе оно не держалось на м/с (сейчас сидит отлично и плотно).
Следующая итерация будет после завершения проекта GBS Control - можно будет снять плату ESP8266 с синей платы переходника на USB и припаять её к гнезду напрямую. Сделать это можно и сейчас, но тогда смена прошивки будет представлять серьезную проблему ...
Небольшое соревнование - GBS-8220(+ESP8266) vs OSSC.
Фотоотчет.
GBS-8220(+ESP8266): Прошивка ESP8266 майская (не последняя). GBS - древний, от Arcadeboard. Подключение RGBS. Из настроек - только растянул изображение на весь экран.
OSSC: Китайский (не фирменный). Прошивка 0.82 (тоже не последняя, кажется). Подключение Scart. Настроек нет.
Снимал со штатива (и все равно фокусировка везде по разному :-( ) Фотоаппарат один и тот же, УКНЦ - тоже (выходы разные).
Вопросы?
А выводы?)
OSSC удалось включить в режим x5 при работе с УКНЦ? Просто в режимах x2-x4 результат ощутимо хуже.
Из важных преимуществ OSSC, которые я отметил для себя:
- менее капризен к входящему сигналу, чем GBS-8220(+ESP8266);
- более естественная цветопередеча, чем у GBS-8220(+ESP8266);
- OSSC выводит на HDMI неизменную кадровую частоту источника. В случае с БК это критично, т.к. бегущие строки в демках остаются плавными, в отличие например от Framemeister с его 50/60Гц выходной частоты. Правда, если мне не изменяет память, GBS-8220 в исполнении с HDMI-выходом тоже умеет выдавать частоту первоисточника; разработчики Framemeister добавить такую функцию принципиально отказались, ссылаясь на грамотный маркетинг.
- меньше задержка кадра, т.к. кратное умножение пикселей - более быстрая операция, нежели аппроксимация кадра в устройствах типа Framemeister.
- OSSC vs Framemeister на мониторе 2K явно в пользу первого, при цене первого в 2.5 раза ниже.
Последний пункт поясню: Framemeister при всей его крутости не умеет выдавать разрешение более FullHD и, при интерполяции изображения даже с БК0011М, везде, где в изображении есть мелкая шахматка или любая равномерная горизонтальная гребенка, изображение интерполируется неравномерно и картина выглядит просто ужасающей. Потому я только за OSSC и только с монитором от 2K (на FullHD множитель x5 не влезет в экран по вертикали - монитор или откажется выводить изображение или будет его интерполировать аналогично Framemeister'у).
Т.е. в сражении множитель (OSSC) vs интерполятор (любой) в плане минимизации искажения картинки всегда будет выигрывать первый, при условии использования монитора разрешением не менее 2К.
Версия прошивки OSSC v0.82 , кстати действительно не последняя, неделю назад вышла новая: https://www.retrorgb.com/ossc-firmwa...-released.html
Так на фото же все. У OSSC картинка поярче и поотчетливее, но цена в 4-5 раз больше. Зато GBS-8220(+ESP8266) требует приложения рук. Т.е. каждый для себя должен решить вопросы цены-качества-прямизны рук и на основе этого выбирать. Хотя ... Провода УКНЦ-Scart в природе не существует, так что паять все равно придется ;-)
Настройки OSSC пока не трогал, но результат и так был вполне нормальный. Постараюсь в выходные покрутить режимы и монитор 4:3 прикрутить.
Тут мне пока сравнить не с чем, поэтому no comments. Разве что цветопередача действительно хорошая.
Традиционно К считаются по горизонтали. То есть 1920x1080 - это 2k, 3200x1440 - это 3K, 3840x2160 - 4K, 7680×4320 - 8K. В зависимости от стандарта (16:10 16:9 и тому подобное) возможны варианты, например - полнокадровый 4K 4096×3072, академический 4K 3656×2664, UltraHD 4K 3840 × 2160 и т.д.
Как показала практика, 2k-монитора достаточно, поскольку даже с Неоном, где 300 строк и требуется 1500 строк разрешения монитора по вертикали, происходит интерполяция 1500 линий, поданных на вход монитора, в 1440 строк монитора - на глаз лично я этого не увидел на тех же мелких гребенках и шахматках.
Забыл упомянуть еще пару преимуществ умножителя (OSSC) в сравнении с масштабаторами типа Framemeister:
- OSSC выводит на HDMI неизменную кадровую частоту источника. В случае с БК это критично, т.к. бегущие строки в демках остаются плавными, в отличие например от Framemeister с его 50/60Гц выходной частоты. Правда, если мне не изменяет память, GBS-8220 в исполнении с HDMI-выходом тоже умеет выдавать частоту первоисточника; разработчики Framemeister добавить такую функцию принципиально отказались, ссылаясь на грамотный маркетинг.
- меньше задержка кадра, т.к. кратное умножение пикселей - более быстрая операция, нежели аппроксимация кадра.
Так как тема https://zx-pk.ru/threads/15895-uknts-i-scart/page2.html
закрыта, напишу здесь.
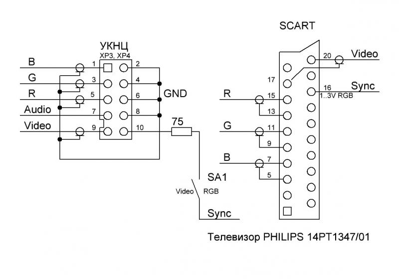
Есть маленький старенький цветной телевизор Philips со SCART разъемом.
Нашел кабель "SCART - тюльпаны" с четырьмя экранированными проводами.
Сначала подключил Video от УКНЦ. Работает. Затем решил подключить
RGB, так как есть еще 3 экранированных провода. На 16 контакт SCART
разъема подал с батареек 3 В. Цвет появился. Но батарейки быстро сели,
так как входное сопротивление у 16 вывода = 75 Ом. Тогда решил на
16 вывод подать синхросмесь, так как она имеет узкие отрицательные
импульсы и может сойти как логическая единица. Перепаял провод
Video с 20 контакта на 16 в SCART и с 9 на 10 в УКНЦ. Синхронизация
исчезла. Тогда оставил Video на 20 контакте SCART и 9 УКНЦ,
а с 10 контакта УКНЦ подал сигнал через сопротивление примерно 75 Ом
и обычный провод на 16 контакт SCART разъема.
Синхронизация восстановилась. Поставил выключатель для переключения
RGB / Video.
Вложение 70774
Купил новый LCD телевизор той же фирмы с разъемом SCART. Думал, что
тоже будет работать с УКНЦ. Но фокус не удался. Нет ни Video ни RGB.
У телевизора есть еще и разъем VGA. Решил попытать счастья с ним.
В интернете прочитал, что у некоторых мониторов на вход Hsync можно
подать синхросмесь. Попробовал. Заработало.
Вложение 70775
https://pic.maxiol.com/thumbs2/15750...1109093952.jpg
Изображение не срезает? И видно ли служебную и инфо строки?
- - - Добавлено - - -
Запусти TESTSC:
https://yadi.sk/d/yDaqF1ArJ4T40Q
И скриншоты сделай.
Ynicky, а как TESTSC на ЭЛТ Philips?
хотя ты же отрубил его уже...
Хорошо бы модифицировать 16 цветов в 128.
обратите внимание именно на Philips картинка УК-НЦ - на новом вообще всё хорошо, на ЭЛТ намного лучше чем допустим на Трёх Слонах у меня...напомню, что практически все тв-тюнеры для ПиСи в основе имеют кристаллик от филипс(!), может вот что надо реверсить и на его основе ваять универсальный свой адаптер - переходник на ТВ и мониторы для ретро-машинок ??? я впрочем уже озвучивал не 1 раз - эту очевидную мысль.
кстати говоря филипсы сегодня для внутреннего рынка разве не в СПб где-то делают???
можно шилдик изучит на задней стенке (но это про ТВ данной марки), на Кванте сегодня телевизоры собирают ( и в Воронеже то же)
Вопрос к Арсению, ты такую плату не пробовал?
https://aliexpress.ru/item/400058670...913.1599540977
Или это та же GBS?
Кнопок настройки вроде больше и чип лишний есть.
Лучше уж сразу конвертор в HDMI.
Назим мне советовал OSSC использовать с НЕОНом... http://junkerhq.net/xrgb/index.php?t...C#Introduction
Наоборот, они все тут, и их тут всё считают и считают =)
Цена кусается, но искушение взяло верх ))
Да, и так и не поняла какой именно GBS реально стоит покупать, запуталася =)
и нет гарантии, что с НЕОН-ом он будет дружить.
Назим ещё говорил, что MANWE нашёл какой-то более простой способ подключать НЕОН к монитору.
А вообще, у нас тут Ж... и предки уже третью неделю болеют короновирусом (в средней тяжести, на дому), медленно, но идут на поправку...